介紹:
直流漏電流變送器型號:YWM-LI□

一、 概述
直流漏電流變送器是采用磁調制原理實現直流小電流的非接觸測量,具有穩定性好、絕緣度高、安裝方便等特點。
二、要技術指標
a) 型號及參數:
|
型 號 |
輸 入 |
輸 出 |
精度等級 |
|
YWM-LI10 |
0~±10mA |
0~±5V |
2.0 |
|
YWM-LI20 |
0~±20mA |
0~±5V |
2.0 |
|
YWM-LI50 |
0~±50mA |
0~±5V |
2.0 |
|
YWM-LI100 |
0~±100mA |
0~±5V |
2.0 |
|
YWM-LI200 |
0~±200mA |
0~±5V |
2.0 |
b) 輔助電源: DC ±12V~±15V
d) 輸出負載: RL≥2kW
e) 靜態功耗: ≤500mW
f) 響應時間: 200ms
g) 絕緣耐壓: 輸入與輸出、電源間AC 3000V/min
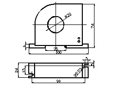
h) 開孔孔徑: Ф30mm
i) 外型尺寸: 100mm×24mm×74mm
j) 工作環境: 溫度:-10~50℃ 濕度:10~90%(無凝露)
j) 貯藏條件: 溫度:-40~70℃ 濕度:10~95%(無凝露)
三、外形圖
四、接線圖
五、安裝
采用DIN導軌和螺釘兩種安裝方式,導軌寬度為35mm。螺釘大小為M4×12 。
六、注意事項
1. 傳感器在出廠前已按用戶需求調節好,無需再調節。
2. 初次上電時,若輸出有微小偏差,無需調整。約30分鐘后輸出能自動歸零。若長時間關機后重新開機,要有上述過程。
上一篇:交流電壓變送器
下一篇:三組合交流電流(電壓)變送器


