介紹:

SWP20型配電模塊是一種小型化插裝式結構的轉換模塊。它給二線制變送器提供電壓的同時,接收來自變送器的與差壓、壓力、液面等成比例的4~20mA DC輸出信號。
一、儀表特點
使用交直流兩種電源,變送輸出與主機隔離,具有1~5V DC或4~20mA DC輸出信號的選擇功能并配置變送器電源開關。
二、儀表參數及接線圖
| 型號 | SWP-20 配電模塊 | |
| 輸入信號 | 模 擬 量 4~20mA DC | |
| 特性 | 響應時間 約250ms(時間常數)V、mA輸入:約100ms(時間常數) | |
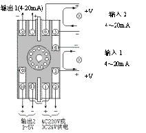
| 接線圖 | A:單路輸入型 | B:雙路輸入型 |
![]() |
![]() | |
三、配電模塊型譜表
| 型 號 | 代 碼 | 說 明 | |||||||||
| SWP -20 | □-□□-□ - □- □- □ | 配電模塊 | |||||||||
| 輸入通道數 |
|
| |||||||||
| 模塊功能 | DL | 配電模塊 | |||||||||
| 輸入信號 | □ | 參見"輸入信號" | |||||||||
| 第一路輸出方式 |
| ||||||||||





